
Application:
- Oven, microwave
- Steam oven
- Air fryer
Accessories (customer customized requirements):
- In-line terminals
- Connector
- Tube (fiberglass, heat shrink, teflon)
- Cable ties
Specification parameters:
Sensor series | CWF2 series |
Operating temperature range | -40 ℃ to 250 ℃ |
Type of temperature sensing element | Ukesa MF51 thermistor series |
Resistance specifications | 500KF4260(R25 ℃=500K Ω ± 1%, B25/50=4260K ± 1%)) |
Head packaging form | Metal shell packaging type |
Shell material | SUS304 |
Common wire | UL3122 |
Dielectric Strength | 1500VAC, 60S, 5mA (conventional, optional) |
Thermal time constant | ≤ 15s (in a constant temperature oil bath) |
Dissipation coefficient | ≥ 2.5mW/℃ (25 ℃, in still air) |
Rated power | 150mW (25 ℃, in still air) |
Customized services:
The above accessories
Shell size, shape, material
Line type and length
The resistance, B value, and accuracy of NTC thermistors can be customized
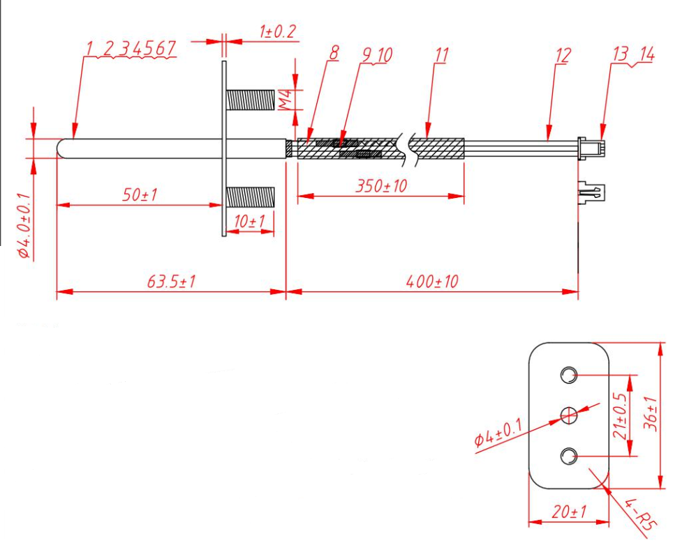
Typical style reference drawings:
